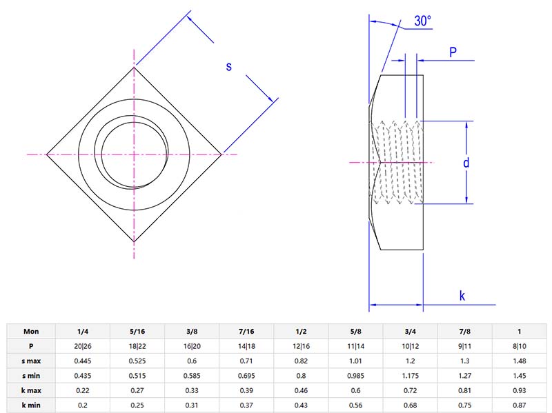
The grosier finisat pătrat nuteste un element de fixare de bază, fără fricane, cu fire mari (pas grosier) și o formă pătrată. Finisajul său grosier, adesea acoperit cu oxid de zinc sau negru, rezistă la rugină și se ocupă de locuri de muncă dure.

Dacă trebuie să utilizați șuruburi în medii dure, atunci puteți alegepiuliță pătrată finisată grosieră. Suprafața sa brută este de asemenea mai bună în medii murdare sau grase, reducând alunecarea în timpul înăspririi. Piulița pătrată poate fi blocată în loc cu o cheie sau clește. Este potrivit pentru utilaje, echipamente agricole sau construcții. Fără acoperire fantezistă, doar oțel de bază, ușor de gestionat cu rezistență ridicată.
Mecanica Fixarea camioanelor sau tractoarelor vechi folosesc adeseapiuliță pătrată finisată grosierăpentru șuruburi ruginite sau uzate. Suprafața aspră se adaptează la firele deteriorate mai bine decât piulițele lustruite, iar forma pătrată nu se va încheia sub un cuplu greu. Excelent pentru sistemele de evacuare, reparațiile șasiului sau orice lucru expus la grăsime și grime. Pur și simplu o mormăi și continuă să lucrezi.
Când fermierii reparați pluguri sau echipamente de irigare, ei folosesc adeseapiuliță pătrată finisată grosierăPentru că este ușor de operat. Suprafața aspră poate trata eficient murdăria și murdăria pentru a preveni înfundarea. Nucile pătrate pot fi fixate în spații strânse. Chiar și cu mănuși, poate fi instalat cu ușurință folosind doar instrumente de bază. Ideal pentru reparații rapide fără timp de oprire.

| Piaţă |
Venituri totale (%) |
| America de Nord |
15 |
| America de Sud |
10 |
| Europa de Est |
12 |
| Asia de Sud -Est |
10 |
| Mid East |
7 |
| Asia de Est |
17 |
| Europa de Vest |
15 |
| Asia de Sud |
6 |
| Piața internă |
8 |
Piuliță pătrată finisată grosierăare costuri reduse de întreținere. Verificați dacă firul este ruginit sau se încadrează în timpul utilizării. Dacă acoperirea este purtată, înlocuiți -l. Dacă piulița este într -un mediu de sare, unge firul. Evitați supra-strângere. Firele groase cad mai ușor decât cele fine.