Acasă > Produse > Piuliţă > Nuca hexagonala > Piulițe hexagonale mari System HR
        Piulițe hexagonale mari System HR
        • Piulițe hexagonale mari System HRPiulițe hexagonale mari System HR
        • Piulițe hexagonale mari System HRPiulițe hexagonale mari System HR
        • Piulițe hexagonale mari System HRPiulițe hexagonale mari System HR

        Piulițe hexagonale mari System HR

        Piulițele hexagonale mari System HR fac parte din perechea de conexiuni structurale cu șuruburi preîncărcate de înaltă rezistență, utilizate împreună cu șuruburile hexagonale mari de tip HR și sunt adesea folosite în structurile din oțel din industria construcțiilor. Produsele producătorilor profesioniști Xiaoguo® au fost testate și îndeplinesc standardele de calitate și sunt accesibile.
        Model:EN 14399-7-2007

        Trimite o anchetă

        Descriere produs

        Piulițe hexagonale mari System HRsunt utilizate în combinație cu șuruburi de dimensiuni mari și sunt de obicei folosite în locuri de muncă care necesită forță și stabilitate mai mari. Ele sunt adesea folosite în industria construcțiilor, cum ar fi în clădirile cu structuri din oțel, pentru a fixa grinzi și stâlpi împreună.

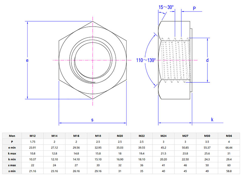
        Detalii și parametri ai produsului

        System HR large hexagon nuts

        Unele detalii trebuie remarcate la instalarea piulițelor hexagonale mari ale sistemului HR. În primul rând, asigurați-vă că dimensiunea filetului piuliței se potrivește exact cu șurubul. Orice nepotrivire poate duce la o conexiune nesigură. După ce ați găsit piulița potrivită, puneți piulița pe șurub. Apoi, ridicați cheia. Rotiți cheia în sensul acelor de ceasornic pentru a strânge piulița. Deoarece aceste piulițe sunt potrivite pentru aplicații de înaltă rezistență, trebuie aplicată o forță considerabilă pentru a le strânge.

        În industria construcțiilor, piulițele hexagonale mari sunt utilizate pentru construcția clădirilor cu structură de oțel. Muncitorii au folosit aceste piulițe pentru a fixa grinzile și stâlpii împreună pentru a construi un cadru solid pentru clădire. În construcția podurilor, acestea sunt foarte importante în conectarea structurii podului, asigurându-se că aceasta poate suporta greutatea vehiculelor și a forțelor naturale. De asemenea, sunt folosite pentru a construi depozite mari și instalații industriale.

        Piulițe hexagonale mari System HRsunt utilizate în echipamentele miniere, turbinele eoliene sau echipamentele grele de construcții. Ele sunt adesea folosite în medii cu stres ridicat, cum ar fi oțelăriile sau șantierele navale, iar forma lor hexagonală mare este potrivită pentru cheile industriale. Fermierii le folosesc pe tractoare. Fabricile se bazează pe ele pentru a instala sisteme de transmisie.

        System HR large hexagon nuts

        Considerații privind dimensiunea

        Piuliță hexagonală mare System HRssunt disponibile într-o varietate de dimensiuni. Dimensiuni mai mici (cum ar fi aproximativ M12) pot fi utilizate pentru structuri mici care necesită încă o conexiune fermă. De exemplu, construcția de mici rame metalice pentru echipamente sau anumite dispozitive industriale ușoare. Dimensiunile mai mari (în unele cazuri până la M36 sau chiar mai mari) sunt potrivite pentru proiecte de construcție la scară largă. Atunci când se construiesc fabrici industriale mari sau clădiri cu mai multe etaje, aceste piulițe de dimensiuni mari sunt folosite pentru a fixa principalele componente structurale. Este foarte important să măsurați cu precizie dimensiunea șurubului înainte de a alege o piuliță.

        Hot Tags: Piulițe hexagonale mari System HR, China, producător, furnizor, fabrică
        Categorie aferentă
        Trimite o anchetă
        Vă rugăm să nu ezitați să trimiteți întrebarea dvs. în formularul de mai jos. Vă vom răspunde în 24 de ore.
        X
        Folosim cookie-uri pentru a vă oferi o experiență de navigare mai bună, pentru a analiza traficul site-ului și pentru a personaliza conținutul. Prin utilizarea acestui site, sunteți de acord cu utilizarea cookie-urilor. Politica de confidențialitate
        Respinge Accepta