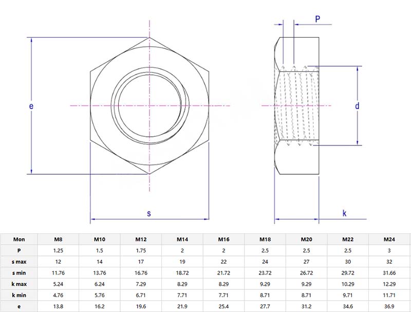
Piuliță subțire hexagonală simplă teșităteșire cu o singură bandă laterală pentru o aliniere ușoară cu șuruburi. Este instalat în spații înguste, iar designul său teșit reduce riscul de încrucișare a filetului. Volumul său este mai mic decât volumul standard al piuliței, astfel încât poate menține componentele compacte.

De cePiuliță subțire hexagonală simplă teșită? Marginea teșită - partea înclinată din jurul deschiderii care facilitează răsucirea lucrătoruluipiuliţă. Chiar și în spațiile înguste în care nu aveți mult spațiu cu mâinile sau uneltele, teșirea ghidează piulița pe șurub mai repede. Nu este nevoie să-l aliniați laborios perfect cu șurubul de fiecare dată; Alunecă mai ușor, permițându-vă să faceți lucrurile rapid.
Piuliță subțire hexagonală simplă teșităeste diferită de nucile obișnuite deoarece este subțire și nu ocupă prea mult spațiu. Chiar dacă nu există un suport de cheie adecvat în apropiere, îl puteți strânge cu mâna sau cu un clește. Prin urmare, este adesea folosit pentru repararea dispozitivelor mici, reglarea pieselor de biciclete sau asamblarea altor mobilier.
Piuliță subțire hexagonală simplă teșităeste adesea instalat în electronice (plăci de circuite, senzori), automobile (tablete de bord) și aparate de uz casnic. Iubitorilor de bricolaj le place să îl instaleze pe un kit de model, o imprimantă 3D sau un joc de reparații. Poate fi folosit în orice aplicație care necesită fixare subțire, precisă.

Piuliță subțire hexagonală simplă teșitănu este potrivit pentru utilizare pe echipamente grele. Pentru dispozitivele mecanice, vă recomandăm să utilizați piulițe mai groase. Dacă firul este blocat, utilizați o perie de sârmă pentru a curăța interiorulpiuliţă. Este usor de folosit dar foarte eficient!