Tipul de umăr Tipurile șuruburilor cu ochi pentru element de fixare sunt definite de standardele de rezistență și materiale, esențiale pentru ridicarea în siguranță. Clasele obișnuite includ 4,8, 8,8, 10,9 și 12,9 pentru variantele din oțel carbon - numere mai mari înseamnă o rezistență mai mare la tracțiune. Gradul 4.8 se potrivește sarcinilor ușoare, cum ar fi bricolajul acasă, în timp ce 8.8 funcționează pentru uz industrial general. Clasele de înaltă rezistență 10,9 și 12,9 gestionează sarcini grele în construcții sau mașini.
Versiunile din oțel inoxidabil urmează adesea clasele A4 (316) sau A2 (304), acordând prioritate rezistenței la coroziune pentru mediile marine/chimice. Calitățile de oțel aliat forjat oferă durabilitate superioară pentru ridicări extreme. Fiecare grad este marcat cu valori nominale de sarcină, asigurând compatibilitatea cu aplicațiile prevăzute și conformitatea cu siguranța.
Controlul calității pentru un șurub cu ochi tip umăr înseamnă să efectuați verificări amănunțite pentru a vă asigura că este sigur și funcționează corect. Acest proces implică de obicei asigurarea că calitatea materialului este corectă, verificarea filetelor pentru a vedea dacă sunt corecte și efectuarea de teste de sarcină pentru a confirma limita de sarcină de lucru (WLL). De asemenea, verifică dacă dimensiunile corespund standardelor precum DIN sau ISO. Fiecare lot de șuruburi cu ochi ar trebui să poată fi urmărit și veți obține o certificare care să dovedească că îndeplinește cerințele privind modul în care îl veți folosi.

Întrebare: Cum ar trebui să instalez corect un șurub cu ochi tip umăr? Pentru un șurub standard, înșurubați-l până la capăt într-un orificiu filetat - asigurați-vă că umărul ochiului atinge suprafața. Tragerea în unghi va reduce total sarcina de lucru sigură, iar asta este periculos.

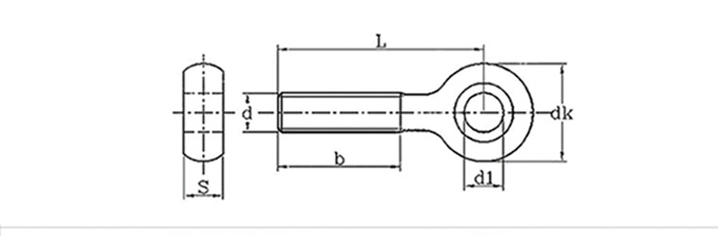
mm
Diametrul filetului
d1
dk
s
M6
5
10.5
5.4
M8
6
13
7
M10
8
16
8.5
M12
10
19
10.5
M14
10
22
12