Înălțimea subțire apiulițe subțiri hexagonale de tip cuplu predominantse potrivește acolo unde nu se potrivesc nuci voluminoase. Este ușor de instalat cu unelte de bază și, deoarece este autoblocant, nu este nevoie să adăugați piese precum șaibe de blocare.

vei gasipiulițe subțiri hexagonale de tip cuplu predominantîn ansambluri de automobile (cum ar fi suporturile de motor sau cutiile de viteze), aerospațiale (securizarea panourilor ușoare) și electronice (fixarea plăcilor de circuite sau a componentelor mici). De asemenea, sunt folosite în robotică, dispozitive medicale și sisteme HVAC - oriunde spațiul este îngust și vibrațiile amenință nucile obișnuite.
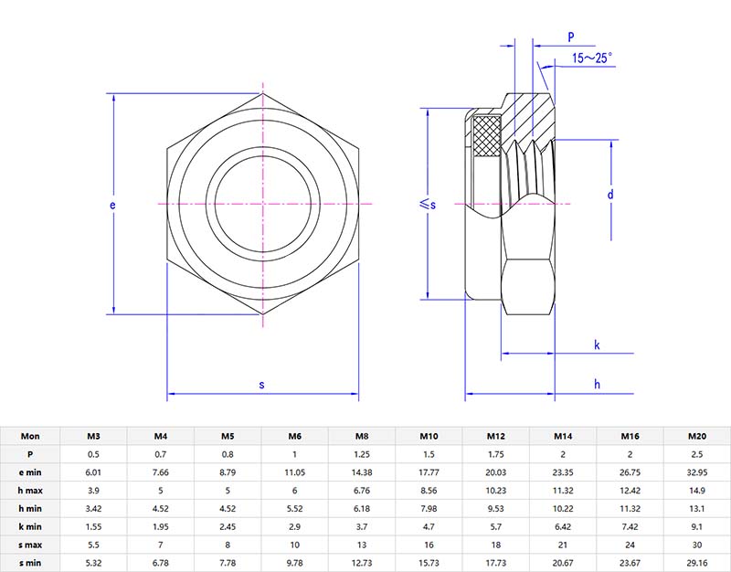
Acestepiulițe subțiri hexagonale de tip cuplu predominantsunt subțiri, dar robuste. Funcționează cu chei normale și folosesc fire strivite sau bucăți de nailon pentru a strânge șuruburile. Fabricat din oțel rezistent sau metale rezistente la rugină. Excelente pentru spații înguste sau configurații în straturi, deoarece sunt atât de plate. Atenție: dacă le deșurubați, își pierd puterea de blocare - aruncați-le după utilizare.

| Piaţă |
Venitul total (%) |
| America de Nord |
16 |
| Europa de Est |
21 |
| Asia de Sud-Est |
3 |
| Orientul Mijlociu |
5 |
| Asia de Est |
20 |
| Europa de Vest |
15 |
| America Centrală |
6 |
| Asia de Sud |
5 |
| Piața internă |
9 |
Piulițe subțiri hexagonale de tip cuplu predominantasigurați senzorii în spațiile înghesuite, rămânând strânși în ciuda vibrațiilor motorului. Sau un braț robot din fabrică - aceste piulițe țin articulațiile blocate fără a adăuga volum. Chiar și în aparatele de uz casnic, cum ar fi cuptorul cu microunde, fixează părți interne care nu își permit să se desprindă. Remediere simplă, impact mare.