Pentruguler de blocare cu fixare cu șuruburi, puteți alege materiale în funcție de ceea ce aveți nevoie. Oțelul carbon (cum ar fi SAE 1070/1095) este folosit atunci când aveți nevoie de un material rezistent pentru lucrări dificile. Oțelul inoxidabil (AISI 304/316) funcționează bine în locurile în care lucrurile ar putea rugini sau se corodează. Aliajele de titan sunt bune pentru produse aerospațiale acolo unde au nevoie de ele ușoare, dar puternice. Există și produse de specialitate precum Inconel® pentru situații cu temperaturi extreme, fie foarte calde, fie foarte reci.
Ei testează fiecare material cu atenție pentru a se asigura că rezistă — verificând cât de mult se poate întinde fără a se rupe (până la 1500 MPa) și cât de multă uzură poate suporta în timp. Varietatea materialelor înseamnă că acest inel de reținere poate funcționa în multe medii diferite, de la locuri super reci până la fabrici cu căldură mare.
Avand grija deguler de blocare cu fixare cu șuruburiînseamnă a efectua verificări regulate asupra strângerii șuruburilor, uzurii suprafeței sau ruginii. În timpul întreținerii, strângeți șuruburile la cuplul recomandat de producător (de obicei 20-50 Nm). Folosiți produse de curățare blânde pentru a șterge resturile și puneți puțină grăsime anti-gripare pe fire pentru a fi mai ușor de demontat mai târziu. Dacă vedeți crăpături sau inelul este deformat, schimbați-l. Păstrați inelele într-un loc uscat, cu temperatură controlată, pentru a nu le deteriora înainte de a le instala. A ține pasul cu această rutină îi ajută să funcționeze cel mai bine și îi poate face să reziste cu până la 30% mai mult.

Î: Cum determin dimensiunea corectă a unuiguler de blocare cu fixare cu șuruburipentru diametrul arborelui meu?
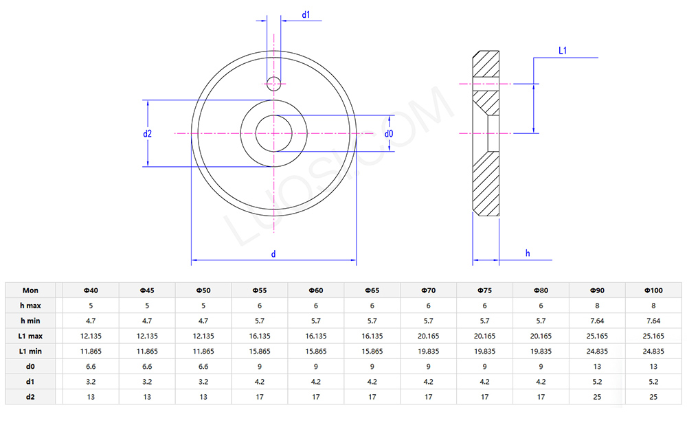
A: Alegerea corectăguler de blocare cu fixare cu șuruburidepinde de grosimea arborelui (OD) și de tipul filetului. Începeți prin a măsura grosimea arborelui și comparați-o cu ghidul de mărime al producătorului. Lucruri cheie de reținut: dimensiunea interioară a gulerului trebuie să se potrivească cu filetele arborelui, cu dimensiunea șurubului și cât de gros este gulerul. Dacă arborele dvs. nu este filetat, va trebui să adăugați mai întâi fire. Verificați întotdeauna dacă firele sunt metrice sau imperiale - amestecarea lor provoacă dureri de cap. Pentru arbori de dimensiuni impare, există gulere personalizate, dar vor necesita timp și bani suplimentari.
Gulerele noastre de blocare fixate cu șuruburi sunt fabricate în principal din oțel carbon. Alegem acest material pentru că are o tenacitate bună și rezistență la uzură, ceea ce poate satisface nevoile de bază de utilizare ale produsului.
Înainte ca produsele să părăsească fabrica, le acoperim suprafețele cu un strat anti-rugină. Acest tratament previne ruginirea gulerelor atunci când sunt folosite în medii umede sau depozitate pentru o perioadă lungă de timp.
Avem și materiale opționale precum oțelul inoxidabil, pentru clienții care au nevoie de o rezistență mai bună la coroziune. Grosimea materialului produsului este proiectată pe baza cerințelor standard de încărcare, astfel încât să nu se deformeze sau să nu se rupă în timpul utilizării normale.
Piesa șurubului este realizată din același material ca și gulerul, astfel încât întregul produs are performanță și stabilitate consistente.
Costul de expediere pentru gulerele noastre de blocare cu șuruburi depinde de locul în care le trimiteți, de metoda de expediere pe care o alegeți și de câte comandați.
Dacă mergeți cu logistica standard, costul este mai mic, dar livrarea durează puțin mai mult - de obicei 3 până la 7 zile lucrătoare. Pentru comenzile urgente, puteți alege livrarea rapidă, dar asta va costa mai mult. Taxa suplimentară exactă depinde de cât de departe trebuie să ajungă transportul.
Când comanda dvs. atinge o anumită cantitate, vom acoperi costul de transport pentru dvs. Fiecare produs este mic și ușor, astfel încât chiar și comenzile cu loturi mici nu vor avea taxe de transport foarte mari.
Înainte de a expedia ceva, vom împacheta gulerele în mod corespunzător pentru a preveni deteriorarea în timpul transportului. Și acest cost de ambalare este deja inclus în taxa de transport - nu trebuie să plătiți suplimentar pentru el.
Dacă doriți să aflați costul exact de transport, întrebați echipa noastră de servicii clienți. Ei îl vor calcula pe baza detaliilor specifice comenzii dvs.
Î: Care este MOQ-ul și timpul de livrare pentru gulerul de blocare cu fixare cu șuruburi și oferiți reduceri pentru comenzile în vrac?
R: Cantitatea minimă de comandă (MOQ) pentru guler de blocare standard cu fixare cu șuruburi este de 300 de bucăți, cu un termen de livrare de 7-10 zile lucrătoare pentru comenzile obișnuite. Pentru comenzile în vrac de peste 5000 de bucăți, oferim reduceri pe niveluri (3%–10% reducere) pentru a reduce costurile de achiziție. Colierele de blocare personalizate cu fixare cu șuruburi au un MOQ de 500 de bucăți și un termen de livrare de 12-18 zile lucrătoare, inclusiv validarea probelor și programarea producției.