Acasă > Produse > Piuliţă > Nuca hexagonala > Piuliță hexagonală de înaltă rezistență
        Piuliță hexagonală de înaltă rezistență
        • Piuliță hexagonală de înaltă rezistențăPiuliță hexagonală de înaltă rezistență
        • Piuliță hexagonală de înaltă rezistențăPiuliță hexagonală de înaltă rezistență
        • Piuliță hexagonală de înaltă rezistențăPiuliță hexagonală de înaltă rezistență

        Piuliță hexagonală de înaltă rezistență

        Piulițele hexagonale de înaltă rezistență pot fi utilizate în medii în care nu pot fi utilizate piulițele standard. Înălțimea piulițelor de tip 2 este cu aproximativ 10% mai mare decât cea a tipului 1. Atunci când achiziționăm de la Xiaoguo®, vă garantăm că vă oferim produse de înaltă calitate care să răspundă nevoilor dumneavoastră de fixare.
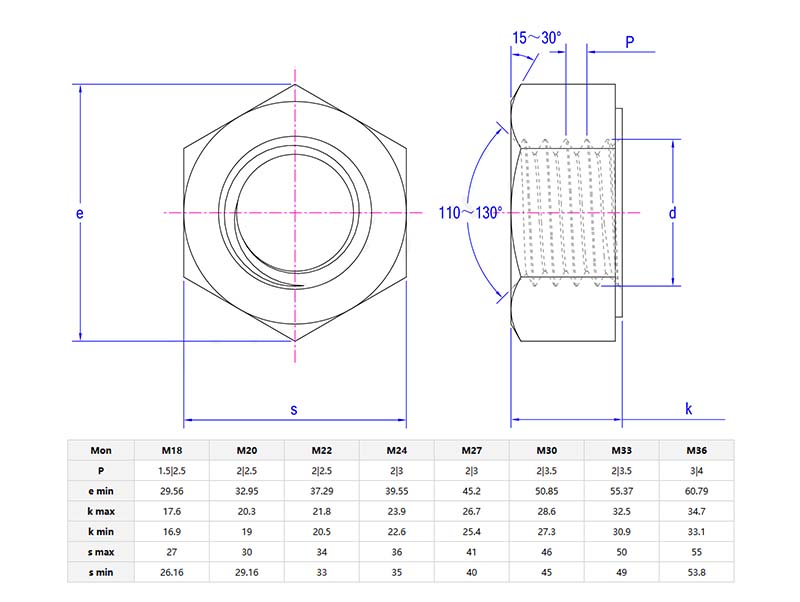
        Model:GB/T 33943-2017

        Trimite o anchetă

        Descriere produs


        Piuliță hexagonală de înaltă rezistențăeste mai gros și mai puternic decât Tipul 1, iar capacitatea de încărcare este mai mare decât cea a Tipului 1, făcându-le potrivite pentru sarcini grele sau scenarii cu cerințe ridicate. Tipul 1 este potrivit pentru lucrări ușoare, în timp ce Tipul 2 este potrivit pentru mașini grele sau sarcini structurale. Cu toate acestea, tipul 2 este mai costisitor și mai greu.

        Piulița hexagonală simplă tip 2 este o piuliță hexagonală relativ accesibilă, care nu necesită tratament termic. Piulițele de tip 2 sunt utilizate mai ales în aplicații în care sunt adesea necesare asamblarea și dezasamblarea, cum ar fi industria aerospațială, auto, construcții, mașini și alte aplicații care necesită conectori relativ puternici.


        Detalii și parametri ai produsului

        Type 2 Single Chamfered Hexagon Nut


        Piulița hexagonală simplă teșită de tip 2 este instalată pe cadrele camioanelor, sistemele cu benzi transportoare sau echipamentele agricole. Ele pot rezista la un cuplu mai mare, împiedicând piulița să se dezlipească, iar teșirea ajută la alinierea rapidă a șurubului. Sunt prea greoaie pentru rafturi sau mobilier de bază.

        Când alegeți piulița hexagonală simplă de tip 2, dimensiunea șurubului trebuie luată în considerare mai întâi. Potriviți diametrul filetului (de exemplu, M12, ¾ ") și pasul (filet grosier sau filet fin). Teșirea va adăuga un unghi mic pe o parte a filetului. Când strângeți, evitați înșurubarea greșită a filetului. Nu amestecați firele metrice și imperiale, deoarece acest lucru va deteriora filetele.

        Thepiuliță hexagonală de înaltă rezistențăpoate ghida șuruburile mai rapid, reducând astfel timpul de nefuncționare al echipamentului în producția de masă. Piulițele galvanizate la cald sunt potrivite pentru utilizare în aer liber, dar ar trebui evitate în medii corozive în care acoperirea se poate uza. Nu refolosiți nucile pe echipamentele aruncate.


        Type 2 Single Chamfered Hexagon Nut

        Sfaturi de instalare

        La instalareapiuliță hexagonală de înaltă rezistență, teșirea este orientată spre șurub pentru a face conexiunea filetată mai netedă. Utilizați o cheie dinamometrică pentru a o strânge. Aveți grijă ca strângerea excesivă poate deteriora șurubul. Se recomandă utilizarea în combinație a șuruburilor de înaltă calitate (cu același grad de rezistență) și a șaibelor călite.

        Hot Tags: Piuliță hexagonală de înaltă rezistență, China, producător, furnizor, fabrică
        Categorie aferentă
        Trimite o anchetă
        Vă rugăm să nu ezitați să trimiteți întrebarea dvs. în formularul de mai jos. Vă vom răspunde în 24 de ore.
        X
        Folosim cookie-uri pentru a vă oferi o experiență de navigare mai bună, pentru a analiza traficul site-ului și pentru a personaliza conținutul. Prin utilizarea acestui site, sunteți de acord cu utilizarea cookie-urilor. Politica de confidențialitate
        Respinge Accepta