Acasă > Produse > Piuliţă > Nuca hexagonala > Nuci subțiri hexagonale cu filet metric cu pas fin
        Nuci subțiri hexagonale cu filet metric cu pas fin
        • Nuci subțiri hexagonale cu filet metric cu pas finNuci subțiri hexagonale cu filet metric cu pas fin
        • Nuci subțiri hexagonale cu filet metric cu pas finNuci subțiri hexagonale cu filet metric cu pas fin
        • Nuci subțiri hexagonale cu filet metric cu pas finNuci subțiri hexagonale cu filet metric cu pas fin

        Nuci subțiri hexagonale cu filet metric cu pas fin

        Piulițele subțiri hexagonale cu filet metric cu pas fin respectă standardele relevante, au filete fine și pasuri mici și sunt mai rezistente la slăbire decât firele grosiere. Xiaoguo® este un furnizor de piulițe subțiri hexagonale cu filet metric cu pas fin în China. Nucile noastre sunt bine fabricate.
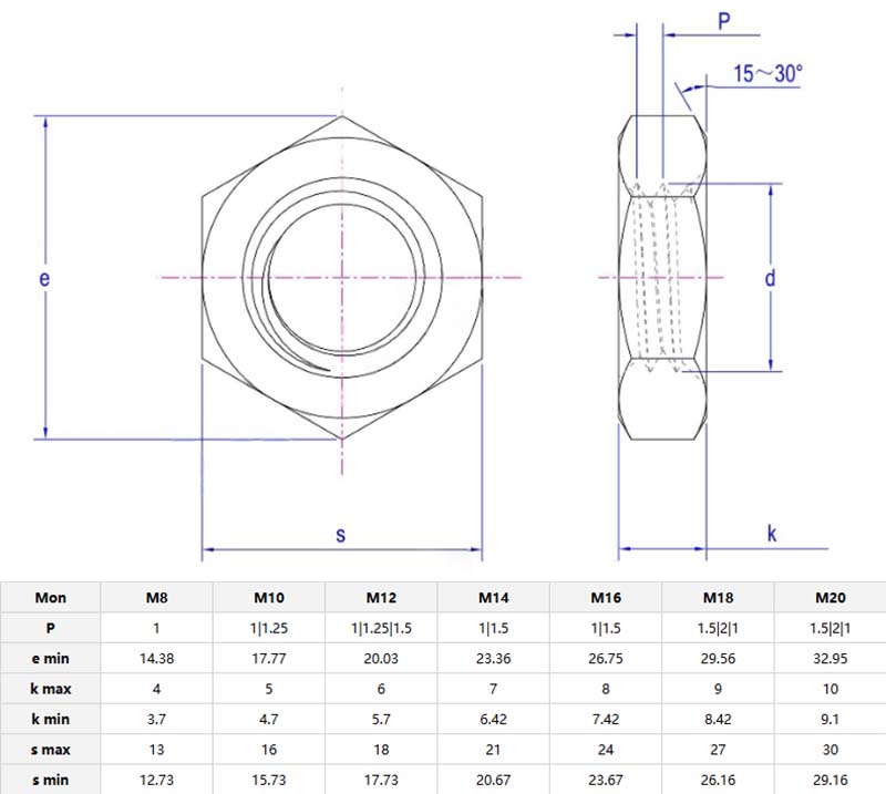
        Model:ISO 8675-1999

        Trimite o anchetă

        Descriere produs

        Piulițe hexagonale subțiri cu filet metric cu pas finutilizați filet cu pas fin, specificațiile firelor utilizate în mod obișnuit sunt M6x0,75 sau M8x1,0. În comparație cu firul cu pas gros, rezistența la impact este mai puternică. Materialul este oțel inoxidabil sau alamă.

        Detalii și parametri ai produsului

        Piulițe subțiri hexagonale cu filete metrice cu pas finsunt utilizate în dispozitive precum roboți (componente articulare), dispozitive medicale (instrumente chirurgicale) și optice (suporturi pentru camere). Producătorii de electronice le folosesc pentru plăci de circuite, iar garajele auto le montează pe senzori sau componente ale tabloului de bord.

        Piulițe hexagonale subțiri cu filet metric cu pas finare anumite limitări. Nu sunt potrivite pentru macarale, camioane sau oțel structural. Dar pentru sarcini de precizie (repararea pieselor microscopului, repararea telescoapelor sau realizarea de instrumente de bijuterii), le puteți alege. Filetul fin facilitează reglarea oamenilor și are o rezistență mai mică la cuplu. Asigurați-vă că verificați dacășurubeste compatibil la utilizare, deoarece firul nu se potrivește ușor.

        Piulițe hexagonale subțiri cu filet metric cu pas finpoate întări articulația, dar nu va fi incomod și inestetic. Nu strângeți prea mult piulița, dacă este prea strâns, forma piuliței se poate deforma. Chiar dacă mobila se mișcă frecvent, se poate aplica doar o picătură de agent de blocare a firului pentru a-i asigura fermitatea. Prețul său este scăzut, calitatea este bună, ușor de instalat.

        Sfaturi de întreținere și instalare

        Puteți folosi o perie moale pentru a curățapiulițe hexagonale subțiri cu filet metric cu pas finpentru a îndepărta resturile. În timpul instalării, aliniați cu atenție firele pentru a evita firul greșit. Dacă vibrația reprezintă o problemă, adăugați o picătură de agent de blocare a filetului cu rezistență redusă. Păstrați suprafața nucii uscate pentru a preveni uzura.

        Hot Tags: Nuci subțiri hexagonale cu filet metric cu pas fin, China, producător, furnizor, fabrică
        Categorie aferentă
        Trimite o anchetă
        Vă rugăm să nu ezitați să trimiteți întrebarea dvs. în formularul de mai jos. Vă vom răspunde în 24 de ore.
        X
        Folosim cookie-uri pentru a vă oferi o experiență de navigare mai bună, pentru a analiza traficul site-ului și pentru a personaliza conținutul. Prin utilizarea acestui site, sunteți de acord cu utilizarea cookie-urilor. Politica de confidențialitate
        Respinge Accepta