Acasă > Produse > Bolt > Şurub cu cap rotund > Anchor Secure Eye Bolt
        Anchor Secure Eye Bolt
        • Anchor Secure Eye BoltAnchor Secure Eye Bolt
        • Anchor Secure Eye BoltAnchor Secure Eye Bolt

        Anchor Secure Eye Bolt

        Toate șuruburile Anchor Secure Eye produse de Xiaoguo sunt supuse unor teste riguroase înainte de export, iar compania le poate furniza în mod fiabil. Partenerii au încredere în Xiaoguo, iar cumpărătorii pot cumpăra cu încredere.

        Trimite o anchetă

        Descriere produs

        Certificat de control al calității

        Deci, atunci când obțineți un certificat de inspecție a calității pentru un șurub cu ochi de ancorare, practic este un document care vine cu produsul care arată că îndeplinește standarde specifice precum ASTM A489. Această documentație vă oferă de obicei detalii despre ce materiale au fost utilizate, verifică dacă toate dimensiunile sunt corecte, confirmă că a trecut testul de încărcare și verifică tratamentul suprafeței. Certificatul provine de obicei de la un laborator independent care este acreditat să facă acest tip de testare. Ceea ce este cu adevărat util este că vă permite să urmăriți produsul până la lotul său de fabricație, ceea ce vă oferă încredere că șurubul cu ochi este de fapt sigur de utilizat pentru operațiunile de ridicare și va funcționa așa cum trebuie atunci când îl utilizați pe șantier.

        Anchor Secure Eye Bolt

        Utilizări ale produsului

        Așadar, un șurub cu ochi de ancorare este una dintre acele componente care este la îndemână într-o mulțime de situații - îl veți vedea folosit în principal pentru ridicarea obiectelor grele, pentru configurații de montaj sau doar pentru ancorarea în siguranță a lucrurilor. Modul în care este proiectat, cu acel ochi circular la un capăt, face foarte simplu să conectați diferite tipuri de echipamente de conectare. Indiferent dacă trebuie să treceți un cablu prin el, să legați o frânghie sau să atașați o cătușă, acel ochi vă oferă un punct solid cu care să lucrați. De aceea, veți găsi că acestea sunt folosite tot timpul pe șantierele de construcții, pe docuri și bărci și în fabrici - oriunde oamenii trebuie să asigure încărcăturile sau să mute echipamentele în siguranță.

        Sesiune de întrebări și răspunsuri

        Întrebare: Care este sarcina de lucru sigură pentru șurubul cu ochi ancorat sigur? Sarcina sigură pentru un șurub depinde de dimensiunea și tipul acestuia. Verificați întotdeauna diagrama de sarcină nominală pentru cea pe care o utilizați. Nu depășiți niciodată această evaluare - menține lucrurile în siguranță atunci când ridicați lucruri.

        Anchor Secure Eye Bolt

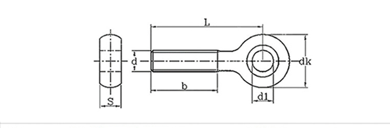
        mm
        Diametrul filetului
        d1
        dk
        s
        M6
        5 10.5 5.4
        M8
        6 13 7
        M10
        8 16 8.5
        M12
        10 19 10.5
        M14
        10 22 12

        Hot Tags: Anchor Secure Eye Bolt
        Categorie aferentă
        Trimite o anchetă
        Vă rugăm să nu ezitați să trimiteți întrebarea dvs. în formularul de mai jos. Vă vom răspunde în 24 de ore.
        X
        Folosim cookie-uri pentru a vă oferi o experiență de navigare mai bună, pentru a analiza traficul site-ului și pentru a personaliza conținutul. Prin utilizarea acestui site, sunteți de acord cu utilizarea cookie-urilor. Politica de confidențialitate
        Respinge Accepta