Acasă > Produse > Piuliţă > Nucă rotundă > Piuliță rotundă de blocare cu fante rezistentă la vibrații
        Piuliță rotundă de blocare cu fante rezistentă la vibrații
        • Piuliță rotundă de blocare cu fante rezistentă la vibrațiiPiuliță rotundă de blocare cu fante rezistentă la vibrații
        • Piuliță rotundă de blocare cu fante rezistentă la vibrațiiPiuliță rotundă de blocare cu fante rezistentă la vibrații
        • Piuliță rotundă de blocare cu fante rezistentă la vibrațiiPiuliță rotundă de blocare cu fante rezistentă la vibrații
        • Piuliță rotundă de blocare cu fante rezistentă la vibrațiiPiuliță rotundă de blocare cu fante rezistentă la vibrații
        • Piuliță rotundă de blocare cu fante rezistentă la vibrațiiPiuliță rotundă de blocare cu fante rezistentă la vibrații

        Piuliță rotundă de blocare cu fante rezistentă la vibrații

        Piulița rotundă cu blocare cu crestătură rezistentă la vibrații este un produs în care fabrica Xiaoguo® utilizează tehnologia avansată de forjare la rece, menținând precizia dimensională excelentă și rezistența materialului în produsele sale. Funcția principală a acestei piulițe este de a bloca în siguranță pe o componentă filetată, de obicei împreună cu un știft, pentru a preveni slăbirea prin rotație.

        Trimite o anchetă

        Descriere produs

        Piulițele rotunde cu blocare cu fante antivibrații sunt utilizate pe scară largă în domeniile roboticii și automatizării. Funcția lor stabilă de blocare asigură precizia îmbinărilor și a componentelor tijei șuruburilor. Cu forma lor compactă și circulară, sunt potrivite pentru spații înguste. Oferim prețuri competitive producătorilor de echipamente originale din industria tehnologiei și oferim reduceri la niveluri pentru contractele anuale. Această piuliță are diferite acoperiri disponibile, cum ar fi acoperirea cu nichel (dacă este necesar un aspect specific). Garantăm livrare rapidă din depozitele locale pentru a reduce timpul de oprire a producției.

        Nucile sunt ambalate în cutii de ambalare separate, antistatice, pentru a preveni deteriorarea. Fiecare piuliță este supusă verificărilor pentru precizia filetului și forța de blocare.

        Rezistență excelentă la coroziune și preț scăzut

        În mediile de lucru marine și offshore, piulița rotundă cu blocare cu crestate rezistentă la vibrații trebuie să fie capabilă să rămână stabilă în medii dure, cu multă sare - prin urmare sunt foarte potrivite pentru utilizarea în platformele de foraj și mașinile de punte. Majoritatea produselor sunt fabricate din oțel inoxidabil 316 sau sunt tratate cu tehnologie de galvanizare profundă pentru a obține o protecție eficientă împotriva coroziunii și pentru a prelungi durata de viață a produsului.

        Prețurile noastre sunt concepute pentru a fi competitive pentru antreprenorii marini, iar reducerile sunt oferite pe baza unor proiecte specifice. Versiunile din oțel inoxidabil au de obicei un tratament de suprafață argintiu închis. Oferim servicii de transport maritim la prețuri competitive. Ambalajul nostru este configurat special cu hârtie inhibitoare de coroziune a vaporilor VCI și pungi impermeabile pentru a oferi protecție dublă împotriva eventualelor daune în timpul transportului. Acest lucru asigură că mărfurile ajung în stare perfectă.

        Respectați standardele internaționale

        Producția noastră de piulițe rotunde cu fante, rezistente la vibrații, respectă standardele internaționale majore, inclusiv specificațiile DIN 935, ISO 7718 și ASTM. Acest lucru asigură că fiecare piuliță rotundă de blocare cu crestătură anti-vibrații îndeplinește cerințe riguroase privind proprietățile dimensionale și mecanice. Oferim documentație completă de certificare cu fiecare transport de piuliță rotundă cu crestătură rezistentă la vibrații pentru a vă facilita procesele de control al calității.


        Vibration Proof Slotted Locking Round Nut

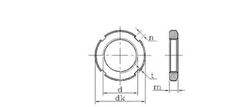
        d*P
        dk m n t 1000

        kg

        d*P
        dk m n t 1000

        ≈kg
        nax nin max min max min nax min
        M10*1 22 8 4.3 4 2.6 2 16.82 M64*2 95 12 8.36 8 4.25 3.5 351.9
        M12*1,25 25 21.58 M65*2 95 342.4
        M14*1,5 28 26.82 M68*2 100 10.36 10 4.75 4 380.2
        M16*1,5 30 5.3 5 3.1 2.5 28.44 M72*2 105 15 518
        M18*1,5 32 31.19 M75*2 105 477.5
        M20*1,5 35 37.31 M76*2 110 562.4
        M22*1,5 38 10 54.91 M80*2 115 608.4
        M24*1,5 42 68.88 M85*2 120 640.6
        M25*1,5 42 68.88 M90*2 125 18 12.43 12 5.75 5 796.1
        M27*1,5 45 75.49 M95*2 130 834.7
        M30*1,5 48 82.11 M100*2 135 873.3
        M33*1,5 52 6.3 6 3.6 3 93.32 M105*2 140 895
        M35*1,5 52 84.99 M110*2 150 14.43 14 6.75 6 1076
        M36*1,5 55 100.3 115*2 155 22 1369
        M39*1,5 58 107.3 M120*2 160 1423
        M40*1,5 58 109.5 M125*2 165 1477
        M42*1,5 62 121.8 M130*2 170 1531
        M45*1,5 68 153.6 M140*2 180 26 1937
        M48*1,5 72 12 8.36 8 4.25 3.5 201.2 M150*2 200 16.43 16 7.9 7 2651
        M50*1,5 72 186.8 M160*3 210 2810
        M52*1,5 78 238 M170*3 220 2970
        M55*2 78 214.4 M180*3 230 30 3610
        M56*2 85 290.1 190*3 240 3794
        M60*2 90 320.3 M200*3 250 3978

        Hot Tags: Piuliță rotundă de blocare cu fante rezistentă la vibrații
        Categorie aferentă
        Trimite o anchetă
        Vă rugăm să nu ezitați să trimiteți întrebarea dvs. în formularul de mai jos. Vă vom răspunde în 24 de ore.
        X
        Folosim cookie-uri pentru a vă oferi o experiență de navigare mai bună, pentru a analiza traficul site-ului și pentru a personaliza conținutul. Prin utilizarea acestui site, sunteți de acord cu utilizarea cookie-urilor. Politica de confidențialitate
        Respinge Accepta