GB 812 Nut
        • GB 812 NutGB 812 Nut
        • GB 812 NutGB 812 Nut

        GB 812 Nut

        Xiaoguo® este un furnizor din China de piuliță GB 812 care se mândrește cu rezistență și durabilitate excelente. Produsul în sine poate rezista la sarcini extrem de grele și poate funcționa cât mai bine și este puțin probabil să se deformeze în timpul utilizării pe termen lung. Vă rugăm să încercați să alegeți piulița avansată GB 812. Cu siguranta vei fi placut surprins!

        Trimite o anchetă

        Descriere produs

        Articole de inspecție în fabrică

        Pentru a asigura fiabilitatea nucilor produse, vom efectua cu strictețe teste în conformitate cu standardul pentru nuci GB 812. Testele se vor concentra pe patru aspecte cheie: dimensiune, performanță, material și aspect.

        (1) Inspecție de dimensiune și precizie

        Măsurarea dimensiunii formei: Măsurați diametrul exterior, diametrul interior și înălțimea totală a piuliței. Valorile măsurate nu trebuie să depășească intervalul de toleranță, iar fotografiile trebuie făcute pentru înregistrare.

        Verificarea dimensiunii fantei: Verificați lățimea, adâncimea și diametrul canelurii sau crestăturii pentru a vă asigura că se potrivește bine cu unealta utilizată.

        (2)Verificarea preciziei filetului

        Verificarea ecartamentului de filet: Testul se efectuează folosind „gabaritul de filet (GO)” și „gabaritul de oprire (NO-GO)”. Standardul calificat este următorul: calibrul filetului ar trebui să poată fi introdus fără probleme și complet, în timp ce calibrul de oprire poate fi introdus cu cel mult 2 ture.

        Măsurarea parametrilor filetului: Folosind instrumente precise, se măsoară în continuare diametrul mediu, abaterea pasului și unghiul de spirală al filetului.

        GB 812 Nut

        (3) Testarea performanței mecanice

        Test de duritate: Folosiți un tester de duritate Rockwell (HRC), Brinell (HBW) sau Vickers (HV) pentru a măsura duritatea pe partea frontală sau pe partea laterală a piuliței GB 812.

        Alte teste de performanță: În funcție de cerințele aplicației, pot fi efectuate teste suplimentare, cum ar fi rezistența la tracțiune, rezistența la impact și durata de viață la oboseală, pentru a evalua cuprinzător proprietățile sale mecanice.

        (4) Calitatea suprafeței și inspecția materialului

        Analiza compoziției materialelor: Prin metode precum analiza spectroscopică, s-a verificat materialul nucii.

        Inspecția tratamentului de suprafață:

        Aspect și defecte: Examinați în condiții de iluminare bună folosind inspecție vizuală sau o lupă. Nu trebuie să existe fisuri, bavuri, pliuri, rugină etc., care pot afecta rezistența.

        Calitatea acoperirii: Dacă produsul a fost supus unor tratamente cum ar fi galvanizarea, înnegrirea sau acoperirea cu Dacromet, grosimea stratului de acoperire (folosind un indicator de grosime), aderența (cum ar fi testul la zgârieturi) și rezistența la coroziune (prin testul cu pulverizare cu sare) trebuie testate.

        GB 812 Nut

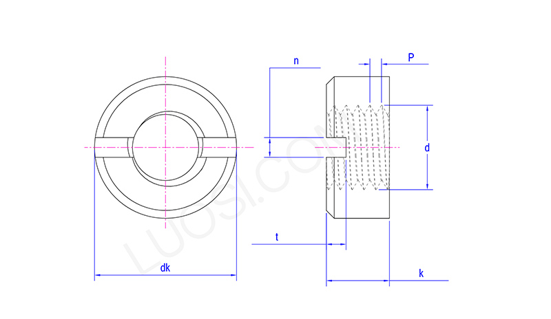
        Lun M3.5 M4 M5 M6 M8 M10 M12 M14 M16 M18 M20
        P 0.6 0.7 0.8 1 1.25 1.5 1.75 2 2 2.5 2.5
        dk max 7 8 9 11 14 18 21 24 26 29 32
        dk min 6.64 7.64 8.64 10.57 13.57 17.57 20.48 23.48 25.48 28.48 31.38
        k max 3 3.5 4.2 5 6.5 8 10 11 12 13 14
        k min 2.75 3.2 3.9 4.7 6.14 7.64 9.64 10.57 11.57 12.57 13.57
        n min 1.46 1.46 2.06 2.56 3.06 3.57 4.07 4.07 4.07 4.07 5.07
        n max 1.71 1.71 2.31 2.81 3.31 3.87 4.37 4.37 4.37 4.37 5.37
        t min 1 1.2 15 2 2.5 3.2 3.8 3.8 3.8 4.8 4.8
        t max 1.40 1.60 1.90 2.4 3 3.7 4.3 4.3 4.3 5.5 5.5

        Ambalare

        Pentru ambalarea din fabrică a piuliței GB 812, vom urma standardul GB/T 90.2. Cerințele cheie sunt să se asigure că etichetele produselor sunt complete, că ambalajul este robust și că poate rezista influențelor mediului în timpul transportului și depozitării.

        (1)Tratament anti-rugină: Produsele fără acoperire trebuie să fie acoperite cu agent anti-rugină.

        (2)Forma de ambalare: cutii/pungi de plastic multiple, pungi/film anti-rugină. Ambalajul exterior este de obicei realizat din pungi țesute, cutii de carton sau cutii de lemn (pentru cerințe speciale, cum ar fi export, se pot folosi ambalaje personalizate)

        (3) Rezistența ambalajului: Respectă principiile științifice, robuste și economice, evitând deteriorarea în timpul transportului (vom stabili detaliile specifice împreună cu dvs.)

        (4) Conținutul etichetei: Producător, Nume produs, Marca standard, Cantitate/Greutate netă, Data fabricării, Marca de calitate etc.

        (5)Format de etichetă: Fără restricții (printarea/embosarea/legarea/lipirea sunt toate acceptabile)

        Hot Tags: GB 812 Nut, China, Producator, Furnizor, Fabrica
        Categorie aferentă
        Trimite o anchetă
        Vă rugăm să nu ezitați să trimiteți întrebarea dvs. în formularul de mai jos. Vă vom răspunde în 24 de ore.
        X
        Folosim cookie-uri pentru a vă oferi o experiență de navigare mai bună, pentru a analiza traficul site-ului și pentru a personaliza conținutul. Prin utilizarea acestui site, sunteți de acord cu utilizarea cookie-urilor. Politica de confidențialitate
        Respinge Accepta