Aceste știfturi cu nituri ONU pentru placă PCB sunt de obicei realizate din aliaje de oțel bune, cum ar fi oțel cu conținut scăzut de carbon sau oțel inoxidabil sau aluminiu. Au o rezistență mecanică solidă și rezistă bine în timp.
Cele din oțel oferă cea mai mare rezistență la tracțiune și forfecare. Cele din aluminiu, pe de altă parte, conduc electricitatea frumos și sunt ușoare.
Metalul ales pentru aceste știfturi înseamnă că pot face față sarcinilor mecanice grele, stresului din ciclurile de încălzire și răcire și să rămână puternici pe toată durata utilizării produsului.
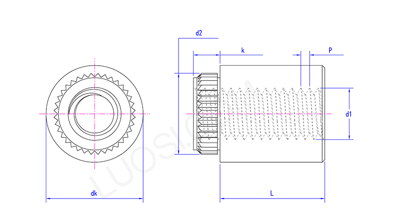
Știftul cu nituire ONU pentru placa PCB este un element de fixare permanent și de înaltă rezistență utilizat pentru a oferi un punct de fixare extern cu filet fiabil pe plăcile de circuite imprimate (PCB). Aici, „UN” reprezintă de obicei „Standard național uniform”, referindu-se la tipul de filet standardizat pe care îl posedă (cum ar fi UNC sau UNF), care îi asigură compatibilitatea cu diferite piulițe standard.
Procesul de instalare este rapid și eficient. Introduceți știftul în orificiul pre-găurit de pe placa PCB. Apoi, utilizați o unealtă de nituire dedicată pentru a deforma capătul plat al știftului, făcându-l să se extindă spre exterior și să se prindă ferm între capul nitului și umărul sau flanșa știftului, formând astfel o legătură puternică și rezistentă la vibrații fără a fi nevoie de sudare.
Această metodă este potrivită în special pentru scenariile care necesită rezistență la solicitări mecanice mari, trebuie supuse mai multor operațiuni de conectare sau în care căldura generată de sudare poate deteriora componentele sensibile.
Aceste știfturi cu nituire ONU pentru placă PCB sunt introduse folosind o metodă de formare la rece sau nituire.
Înfigeți știftul printr-o gaură pre-găurită în PCB. Apoi, o unealtă specială de nituire îndoaie tija știftului pe o matriță de sub tablă, creând o încuietoare permanentă, evazată, care o ține pe loc.
Metoda de procesare la rece generează mai puțină căldură și nu va deteriora laminatul PCB sau circuitele. Când sunt instalate corect, știfturile asigură o fixare puternică și rezistentă la vibrații, fără a compromite structura plăcii de circuit.

| Piaţă | Venituri (Anul precedent) | Venitul total (%) |
| America de Nord | Confidenţial | 20 |
| America de Sud | Confidenţial | 4 |
| Europa de Est | Confidenţial | 24 |
| Asia de Sud-Est | Confidenţial | 2 |
| Africa | Confidenţial | 2 |
| Oceania | Confidenţial | 1 |
| Orientul Mijlociu | Confidenţial | 4 |
| Asia de Est | Confidenţial | 13 |
| Europa de Vest | Confidenţial | 18 |
| America Centrală | Confidenţial | 6 |
| Europa de Nord | Confidenţial | 2 |
| sudul Europei | Confidenţial | 1 |
| Asia de Sud | Confidenţial | 4 |
| Piața internă | Confidenţial | 5 |