Acasă > Produse > Piuliţă > Nucă rotundă > Piuliță rotundă de blocare cu crestături de precizie
        Piuliță rotundă de blocare cu crestături de precizie
        • Piuliță rotundă de blocare cu crestături de preciziePiuliță rotundă de blocare cu crestături de precizie
        • Piuliță rotundă de blocare cu crestături de preciziePiuliță rotundă de blocare cu crestături de precizie
        • Piuliță rotundă de blocare cu crestături de preciziePiuliță rotundă de blocare cu crestături de precizie
        • Piuliță rotundă de blocare cu crestături de preciziePiuliță rotundă de blocare cu crestături de precizie
        • Piuliță rotundă de blocare cu crestături de preciziePiuliță rotundă de blocare cu crestături de precizie

        Piuliță rotundă de blocare cu crestături de precizie

        Piulița rotundă cu crestătură și blocare cu crestături de precizie este soluția de asigurare preferată specificată de ingineri pentru aplicațiile în care siguranța este primordială și slăbirea indusă de vibrații nu poate fi tolerată. Pentru un partener de încredere în industria elementelor de fixare care acordă prioritate calității și serviciilor, profesioniștii din întreaga lume au încredere în fabrica Xiaoguo®.

        Trimite o anchetă

        Descriere produs

        Pentru carcasele dispozitivelor electronice și rafturile serverelor, aceste piulițe rotunde cu crestături perforate, cu crestături, pot fixa panourile și componentele care necesită întreținere. Ele pot fi refolosite și nu se vor slăbi din cauza vibrațiilor. Designul lor circular și cu profil redus înseamnă că nu se vor încurca cu nimic.

        Pentru industria electronică, prețurile noastre sunt foarte competitive. Comenzile de peste 5000 USD pot beneficia de serviciul de livrare gratuit. De obicei, preferăm să folosim un strat negru neconductiv. Terminăm rapid livrarea mărfurilor prin centre regionale.

        Aceste nuci sunt plasate în pungi antistatice sigure și resigilabile pentru a le proteja. Înainte de expediere, vom verifica dimensiunea acestora și grosimea stratului de acoperire.

        Detalii despre produs

        În industria feroviară, aceste piulițe rotunde de blocare cu crestături de precizie sunt de mare importanță pentru boghiuri și sistemele de fixare a căilor. Trebuie să reziste la vibrații puternice și la sarcini repetate și să îndeplinească cerințele de rezistență pentru utilizare pe termen lung. Aceste piulițe sunt fabricate conform standardelor stricte, iar dimensiunile lor precise ale fantelor sunt concepute pentru a facilita cablarea în siguranță.

        Oferim prețuri competitive pentru comenzi guvernamentale și feroviare și reduceri pentru achiziții în vrac. Ele sunt de obicei supuse unui tratament cu oxid negru. Lucrăm îndeaproape cu echipele de logistică profesionale nu numai pentru a asigura livrarea la timp a mărfurilor, ci și pentru a sprijini urmărirea în timp real a întregului lanț logistic.

        A trecut de certificarea standardului internațional IRIS pentru industria feroviară. Fiecare lot de produse poate fi urmărit complet, iar calitatea are o bază clară.

        Tratament anti-coroziune

        Oferim diferite tratamente de suprafață pentru produsele noastre Precision Notched Slotted Locking Round Piulițe, inclusiv placarea cu zinc, galvanizarea la cald și acoperirea geomet. Aceste tratamente îmbunătățesc semnificativ rezistența la coroziune a fiecărei piulițe rotunde de blocare cu crestături cu crestături de precizie, prelungind durata de viață a acesteia în medii dificile. Acoperirea adecvată pentru piulița dvs. rotundă de blocare cu crestături cu crestături de precizie depinde de condițiile dumneavoastră operaționale specifice.


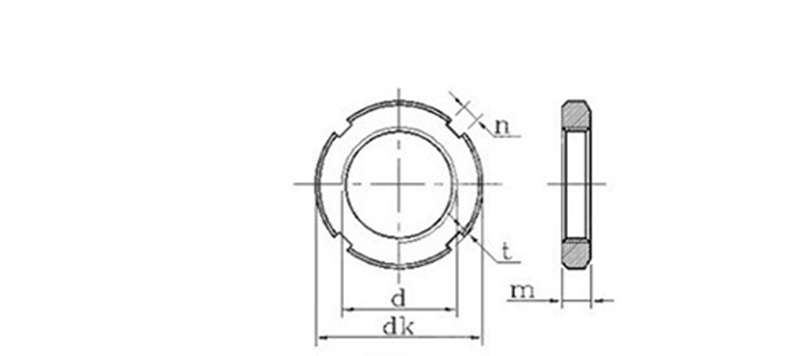
        Precision Notched Slotted Locking Round Nut



        d*P
        dk m n t 1000

        kg

        d*P
        dk m n t 1000

        ≈kg
        nax nin max min max min nax min
        M10*1 22 8 4.3 4 2.6 2 16.82 M64*2 95 12 8.36 8 4.25 3.5 351.9
        M12*1,25 25 21.58 M65*2 95 342.4
        M14*1,5 28 26.82 M68*2 100 10.36 10 4.75 4 380.2
        M16*1,5 30 5.3 5 3.1 2.5 28.44 M72*2 105 15 518
        M18*1,5 32 31.19 M75*2 105 477.5
        M20*1,5 35 37.31 M76*2 110 562.4
        M22*1,5 38 10 54.91 M80*2 115 608.4
        M24*1,5 42 68.88 M85*2 120 640.6
        M25*1,5 42 68.88 M90*2 125 18 12.43 12 5.75 5 796.1
        M27*1,5 45 75.49 M95*2 130 834.7
        M30*1,5 48 82.11 M100*2 135 873.3
        M33*1,5 52 6.3 6 3.6 3 93.32 M105*2 140 895
        M35*1,5 52 84.99 M110*2 150 14.43 14 6.75 6 1076
        M36*1,5 55 100.3 115*2 155 22 1369
        M39*1,5 58 107.3 M120*2 160 1423
        M40*1,5 58 109.5 M125*2 165 1477
        M42*1,5 62 121.8 M130*2 170 1531
        M45*1,5 68 153.6 M140*2 180 26 1937
        M48*1,5 72 12 8.36 8 4.25 3.5 201.2 M150*2 200 16.43 16 7.9 7 2651
        M50*1,5 72 186.8 M160*3 210 2810
        M52*1,5 78 238 M170*3 220 2970
        M55*2 78 214.4 M180*3 230 30 3610
        M56*2 85 290.1 190*3 240 3794
        M60*2 90 320.3 M200*3 250 3978

        Hot Tags: Piuliță rotundă de blocare cu crestături de precizie
        Categorie aferentă
        Trimite o anchetă
        Vă rugăm să nu ezitați să trimiteți întrebarea dvs. în formularul de mai jos. Vă vom răspunde în 24 de ore.
        X
        Folosim cookie-uri pentru a vă oferi o experiență de navigare mai bună, pentru a analiza traficul site-ului și pentru a personaliza conținutul. Prin utilizarea acestui site, sunteți de acord cu utilizarea cookie-urilor. Politica de confidențialitate
        Respinge Accepta