Acasă > Produse > Piuliţă > Nucă rotundă > Piuliță rotundă de blocare cu crestătură dublă
        Piuliță rotundă de blocare cu crestătură dublă
        • Piuliță rotundă de blocare cu crestătură dublăPiuliță rotundă de blocare cu crestătură dublă
        • Piuliță rotundă de blocare cu crestătură dublăPiuliță rotundă de blocare cu crestătură dublă
        • Piuliță rotundă de blocare cu crestătură dublăPiuliță rotundă de blocare cu crestătură dublă
        • Piuliță rotundă de blocare cu crestătură dublăPiuliță rotundă de blocare cu crestătură dublă
        • Piuliță rotundă de blocare cu crestătură dublăPiuliță rotundă de blocare cu crestătură dublă

        Piuliță rotundă de blocare cu crestătură dublă

        Piulița rotundă de blocare cu fante dublă asigurată este un produs Xiaoguo®, care, cu peste două decenii de experiență, a devenit un producător și exportator de top de elemente de fixare de precizie pe piețele globale. Fabricată în mod obișnuit din oțel călit sau oțel inoxidabil, această piuliță este proiectată să reziste la solicitări semnificative de forfecare și tracțiune.

        Trimite o anchetă

        Descriere produs

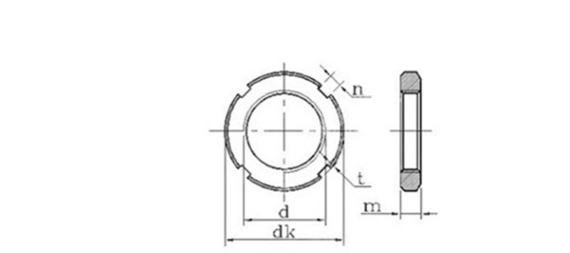
        Această piuliță rotundă de blocare cu crestătură dublă asigurată este o componentă crucială în asamblarea auto - în special pentru fixarea rulmenților axului roții și a sistemului de osie, a fi capabil să reziste la vibrații este cheia. Are un design circular cu flanșe în interior și componente de blocare interioare și caneluri radiale, care se pot fixa ferm în poziția desemnată.

        Producem aceste nuci în cantități mari folosind mașini automate, astfel încât prețurile noastre sunt extrem de competitive. Dacă comandați mai mult de 10.000 de unități, vă puteți bucura de o reducere de 5%. De obicei, au un tratament de suprafață acoperit cu zinc strălucitor și oferim livrare rapidă prin livrare rapidă.

        Pentru a asigura siguranța transportului, oferim o protecție dublă pentru produsele noastre: în primul rând, acestea sunt sigilate în pungi de plastic rezistente pentru a preveni umezeala și coroziunea și apoi ambalate în cutii de carton robuste pentru a rezista în mod eficient la impactul fizic și deteriorarea în timpul transportului.

        Detalii despre produs

        În domeniul aerospațial, piulița rotundă cu blocare cu crestătură dublă asigurată trebuie să fie precisă și fiabilă - fără excepție. Ele sunt utilizate în mod obișnuit în componente precum scaunele de montare a motorului și dispozitivele de legătură pentru controlul zborului. Aceste piulițe sunt de obicei realizate din aliaje de calitate superioară, într-o formă circulară netedă și au fante prelucrate cu precizie pentru cablare ușoară și sigură.

        În ciuda calității lor superioare, prețurile noastre rămân competitive. Dacă comanda dumneavoastră depășește 50.000 de bucăți, veți avea dreptul la o reducere semnificativă. Tratamentele obișnuite de suprafață includ oțel inoxidabil pasivizat sau placarea cu cadmiu. Am stabilit o cooperare aprofundată cu companii de logistică profesionale și oferim servicii de transport eficiente și sigure pentru produse printr-o rețea logistică matură pentru a asigura livrarea lor fără probleme în toate părțile lumii. Toate ambalajele sunt proiectate pentru a fi rezistente la apă și inviolabile.

        FAQ

        Î: Care este funcția și aplicarea principală a unei piulițe rotunde de blocare cu fante?

        R: Piulița rotundă de blocare cu fante dublă asigurată este proiectată pentru a se bloca în siguranță pe o componentă filetată, permițând în același timp o inspecție vizuală ușoară. Funcția principală a acestei piulițe rotunde de blocare cu fante dublu asigurate este de a preveni slăbirea sub vibrații în ansambluri precum arbori rotativi, osii și mașini de precizie. Forma sa rotundă cu fante permite introducerea știftului sau a firului de siguranță, făcând piulița rotundă de blocare cu fante dublă asigurată esențială pentru aplicațiile critice pentru siguranță în sectoarele auto și industriale.

        Double Secured Slotted Locking Round Nut


        d*P
        dk m n t 1000

        kg

        d*P
        dk m n t 1000

        ≈kg
        nax nin max min max min nax min
        M10*1 22 8 4.3 4 2.6 2 16.82 M64*2 95 12 8.36 8 4.25 3.5 351.9
        M12*1,25 25 21.58 M65*2 95 342.4
        M14*1,5 28 26.82 M68*2 100 10.36 10 4.75 4 380.2
        M16*1,5 30 5.3 5 3.1 2.5 28.44 M72*2 105 15 518
        M18*1,5 32 31.19 M75*2 105 477.5
        M20*1,5 35 37.31 M76*2 110 562.4
        M22*1,5 38 10 54.91 M80*2 115 608.4
        M24*1,5 42 68.88 M85*2 120 640.6
        M25*1,5 42 68.88 M90*2 125 18 12.43 12 5.75 5 796.1
        M27*1,5 45 75.49 M95*2 130 834.7
        M30*1,5 48 82.11 M100*2 135 873.3
        M33*1,5 52 6.3 6 3.6 3 93.32 M105*2 140 895
        M35*1,5 52 84.99 M110*2 150 14.43 14 6.75 6 1076
        M36*1,5 55 100.3 115*2 155 22 1369
        M39*1,5 58 107.3 M120*2 160 1423
        M40*1,5 58 109.5 M125*2 165 1477
        M42*1,5 62 121.8 M130*2 170 1531
        M45*1,5 68 153.6 M140*2 180 26 1937
        M48*1,5 72 12 8.36 8 4.25 3.5 201.2 M150*2 200 16.43 16 7.9 7 2651
        M50*1,5 72 186.8 M160*3 210 2810
        M52*1,5 78 238 M170*3 220 2970
        M55*2 78 214.4 M180*3 230 30 3610
        M56*2 85 290.1 190*3 240 3794
        M60*2 90 320.3 M200*3 250 3978

        Hot Tags: Piuliță rotundă de blocare cu crestătură dublă
        Categorie aferentă
        Trimite o anchetă
        Vă rugăm să nu ezitați să trimiteți întrebarea dvs. în formularul de mai jos. Vă vom răspunde în 24 de ore.
        X
        Folosim cookie-uri pentru a vă oferi o experiență de navigare mai bună, pentru a analiza traficul site-ului și pentru a personaliza conținutul. Prin utilizarea acestui site, sunteți de acord cu utilizarea cookie-urilor. Politica de confidențialitate
        Respinge Accepta