Acasă > Produse > Ac > Pin rotund > Ştifturi de înaltă rezistenţă
        Ştifturi de înaltă rezistenţă
        • Ştifturi de înaltă rezistenţăŞtifturi de înaltă rezistenţă
        • Ştifturi de înaltă rezistenţăŞtifturi de înaltă rezistenţă

        Ştifturi de înaltă rezistenţă

        Acest știft de înaltă rezistență poate fi dezasamblat și reinstalat de mai multe ori, ceea ce îl face avantajos pentru reutilizare. Puteți comanda cu încredere știfturi de înaltă rezistență de la Xiaoguo și veți primi o experiență excelentă cu calitate garantată.

        Trimite o anchetă

        Descriere produs

        Dacă este necesar, putem furniza un certificat de inspecție pentru aceste știfturi de înaltă rezistență. Certificatul enumeră rezultatele cheie ale testelor: din ce este fabricat materialul, proprietățile sale mecanice precum rezistența și duritatea și confirmă că toate dimensiunile critice sunt corecte. De asemenea, precizează ce standarde, cum ar fi ISO 2341, îndeplinește produsul.

        Fiecare certificat este pentru un anumit lot de producție și are un număr unic, astfel încât să poată fi urmărit. Este o înregistrare care arată că știfturile au trecut verificările standard de la material la produsul finit. Obținerea unui certificat cu știfturile tale de înaltă întindere este o opțiune, care este utilă pentru lucrările care necesită documente formale, fie pentru uz industrial de zi cu zi, fie pentru aplicații mai solicitante.

        High Tensile Clevis Pins

        Utilizări ale produsului

        Acest tip de știft este utilizat în mod obișnuit pentru a conecta componente la mașinile care necesită rotație sau pivotare. În diverse echipamente industriale, este adesea folosit pentru a conecta suporturi, tije sau pârghii. În automobile și camioane, este folosit pentru componentele suspensiei, legăturile de frână, dispozitivele de direcție etc.

        Echipamentele agricole, cum ar fi plugurile de tractoare și recoltatoarele, îl folosesc și ele. În domeniul aerospațial, ar putea fi utilizat pentru anumite părți mobile ale sistemelor de aeronave. Se găsește și pe bărci, în tachelaj și unele piese de motor, pentru că stă bine blocat pe loc.

        Practic, știfturile de înaltă rezistență sunt la îndemână oriunde aveți nevoie de o conexiune solidă pe care ar putea fi nevoie să o demontați mai târziu și care poate face față tremurării și utilizării regulate.

        Sesiune de întrebări și răspunsuri

        Î: Care este ambalajul standard pentru știfturile dvs. de înaltă rezistență?

        Răspuns: De obicei folosim cutii de carton robuste pentru a împacheta știfturi de înaltă rezistență, iar metoda de ambalare este în general împărțită în funcție de dimensiune și cantitate (de exemplu, 100 de bucăți per cutie).

        Pentru comenzile în vrac, vom împacheta știfturi de înaltă rezistență în cutia principală și le vom așeza pe un palet pentru a asigura transportul în siguranță și ușurința de manipulare.

        High Tensile Clevis Pins


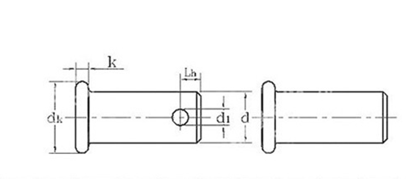
        unitate: mm
        d max 3 4 5 6 8 10 12 14 16 18 20
        min 2.94 3.925 4.925 5.925 7.91 9.91 11.89 13.89 15.89 17.89 19.87
        dk max 5 6 8 10 12 14 16 18 20 22 25
        min 4.7 5.7 7.64 9.64 11.57 13.57 15.57 17.57 19.48 21.48 24.48
        k nominal 1.5 2 2.5 3 3.5 4
        max 1.625 2.125 2.625 3.125 3.65 4.15
        min 1.375 1.875 2.375 2.875 3.35 3.85
        d1 min 1.6 2 3.2 4 5 5
        max 1.74 2.14 3.38 4.18 5.18 5.18
        Lh min 1.6 2.2 2.9 3.2 3.5 4.5 5.5 6 6 7 8




        Hot Tags: Ştifturi de înaltă rezistenţă, China, producător, furnizor, fabrică
        Categorie aferentă
        Trimite o anchetă
        Vă rugăm să nu ezitați să trimiteți întrebarea dvs. în formularul de mai jos. Vă vom răspunde în 24 de ore.
        X
        Folosim cookie-uri pentru a vă oferi o experiență de navigare mai bună, pentru a analiza traficul site-ului și pentru a personaliza conținutul. Prin utilizarea acestui site, sunteți de acord cu utilizarea cookie-urilor. Politica de confidențialitate
        Respinge Accepta