Acasă > Produse > Piese de nituire > Nituță de plastic > Clip pentru nituri de expansiune
        Clip pentru nituri de expansiune
        • Clip pentru nituri de expansiuneClip pentru nituri de expansiune
        • Clip pentru nituri de expansiuneClip pentru nituri de expansiune
        • Clip pentru nituri de expansiuneClip pentru nituri de expansiune
        • Clip pentru nituri de expansiuneClip pentru nituri de expansiune
        • Clip pentru nituri de expansiuneClip pentru nituri de expansiune

        Clip pentru nituri de expansiune

        O clemă cu nituri expansive este un element de fixare din plastic care este instalat prin introducerea piciorului flexibil printr-un orificiu și apoi separarea Xiaoguo® este un producător cu peste zece ani de experiență profesională în industria elementelor de fixare. Putem livra la timp indiferent de dimensiunea comenzii.
        Model:QC/T 350-1999

        Trimite o anchetă

        Descriere produs

        Cele mai obișnuite materiale pentru clemele de nituri cu expansiune fiabile sunt Nylonul 6/6 armat cu sticlă și Copolimerul Acetal (POM). Nylonul 6/6 este mai puternic și gestionează mai bine căldura. POM-ul își păstrează bine forma, nu se freacă mult și rezistă utilizării repetate fără a se uza.

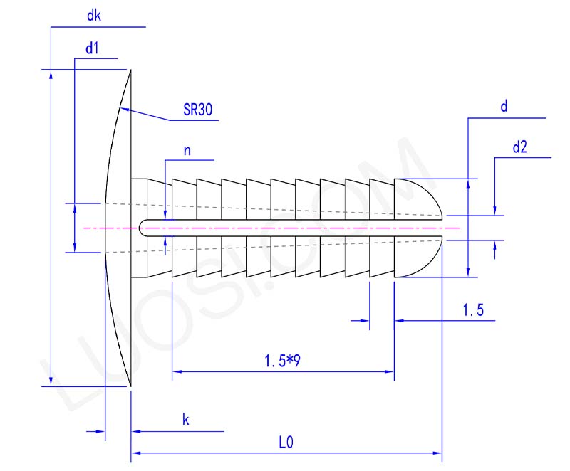
        expanding rivet clip parameter

        Lun
        Φ6 Φ8
        Φ10
        d max
        6 8 10
        d min
        5.8 7.8 9.8
        dk max
        16.2 16.2 18.2
        dk min
        15.8 15.8 17.8
        k max
        1.6 1.6 2.1
        k min
        1.4 1.4 1.9
        L0
        20 20 22
        d1
        3 4 5
        d2
        1.5 2 3
        n
        1 1 1.5

        Aceste materiale plastice de inginerie se asigură că corpul știftului despicat funcționează bine în condiții de solicitare mecanică și condiții grele. Spre deosebire de materialele plastice mai ieftine, acestea nu se descompun ușor.

        Întreţinere

        Menținerea clemelor cu nituri expansive este simplă. Realizate din plastic rezistent la coroziune, nu vor rugini, eliminand nevoia de agenti antirugina sau uleiuri. Înainte de utilizare, inspectați-le pentru deteriorări, cum ar fi fisurarea, deformarea sau fragilitatea sau albirea de la expunerea prelungită la lumina soarelui. Înlocuirea este ușoară; nu sunt necesare unelte speciale. Pur și simplu trageți vechea clemă de picioare și înlocuiți-o cu una nouă. Usor de folosit. Verificați regulat starea clemei de nituri și înlocuiți-o prompt.

        Este rezistent la degradarea UV pentru utilizare prelungită în exterior?

        Clipurile noastre standard cu nituri expansive au blocanți UV încorporați chiar atunci când le facem. Chiar dacă sunt expuse la lumina soarelui pentru o lungă perioadă de timp, nu se va usca, nu devine casantă sau crăpa ușor.

        Acea protecție UV îi face să-și facă treaba, rămânând puternici, flexibili și ținându-se strâns, chiar și în exteriorul dur. Gândiți-vă la tractoare, excavatoare, panouri solare, echipamente agricole etc. În comparație cu plasticul obișnuit fără el, acestea durează mai mult, fără a fi nevoie să vă agitați.


        Hot Tags: Clip de nituri de expansiune, China, producător, furnizor, fabrică
        Categorie aferentă
        Trimite o anchetă
        Vă rugăm să nu ezitați să trimiteți întrebarea dvs. în formularul de mai jos. Vă vom răspunde în 24 de ore.
        X
        Folosim cookie-uri pentru a vă oferi o experiență de navigare mai bună, pentru a analiza traficul site-ului și pentru a personaliza conținutul. Prin utilizarea acestui site, sunteți de acord cu utilizarea cookie-urilor. Politica de confidențialitate
        Respinge Accepta