|
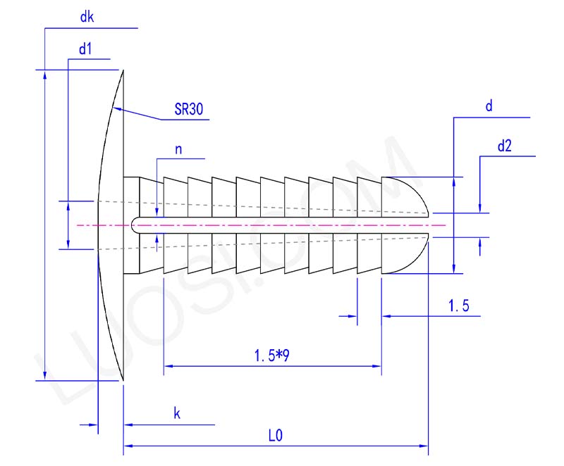
Lun |
F6 |
F8 |
Φ10 |
|
d max |
6 | 8 | 10 |
|
dmin |
5.8 | 7.8 | 9.8 |
|
dk max |
16.2 | 16.2 | 18.2 |
|
dk min |
15.8 | 15.8 | 17.8 |
|
k max |
1.6 | 1.6 | 2.1 |
|
k min |
1.4 | 1.4 | 1.9 |
|
L0 |
20 | 20 | 22 |
|
d1 |
3 | 4 | 5 |
|
d2 |
1.5 | 2 | 3 |
|
n |
1 | 1 | 1.5 |
Dispozitivul de reținere a clemei pentru nit cu expansiune este un element de fixare util din plastic. Funcționează ca o opțiune mai sigură, mai ușoară, care rezistă la rugină, în loc de știfturile obișnuite din metal.
Este practic o piesă cilindrică cu o despicare în mijloc. Îl puneți printr-o gaură pre-găurită, apoi îndoiți cele două picioare pentru a ține în loc părți precum știfturi, arbori sau legături. Această versiune din plastic scapă de probleme precum uzura metalului, marginile ascuțite și coroziunea galvanică.
Principalele avantaje ale dispozitivului de reținere a clemei cu nituri în expansiune se referă la siguranță, a fi mai ușor și a rezista în diferite medii.
Spre deosebire de știfturile metalice, nu are problema bavurilor ascuțite care te-ar putea tăia atunci când îl introduci sau îl scoți. Este mult mai ușor, ceea ce contează foarte mult pentru utilizarea aerospațială și a mașinilor.
În plus, dispozitivul de reținere a clemelor cu nituri expansive rezistă în mod natural la rugină și coroziune. Poate fi folosit în locuri umede, în apropierea substanțelor chimice sau unde electricitatea este insuficientă și unde acele metalice pot funcționa defectuos sau pot cauza probleme.

Valoarea specifică a rezistenței la forfecare a dispozitivului nostru de reținere a clemei pentru nit va varia în funcție de diametrul știftului și de gradul specific al materialului.
Este conceput pentru a gestiona o mulțime de vibrații și sarcini în mișcare, care sunt comune în mașini, piese auto și linii de asamblare.
Materialul are în mod natural o oarecare flexibilitate și elasticitate, ceea ce îl ajută să absoarbă șocurile. Acest lucru îl face un înlocuitor de încredere pentru știfturile metalice în multe medii dificile, nu se uzează ușor și, de asemenea, reduce uzura pieselor pe care le conectează.
