Șuruburile de expansiune auto -ancorare sunt compuse în principal din șuruburi, tuburi de expansiune, piulițe și alte părți. În timpul instalării, prin strângerea piuliței, șurubul va conduce tubul de expansiune să se extindă în interiorul forajului, fixându -l ferm pe perete sau pe altă suprafață de bază.
	
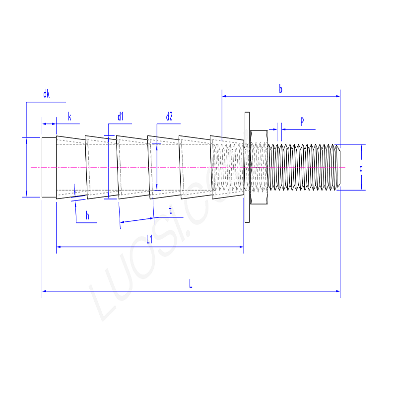
| Luni | M6 | M8 | M10 | M12 | M16 | M20 | M22 | M24 | 
| P | 1 | 1.25 | 1.5 | 1.75 | 2 | 2.5 | 2.5 | 3 | 
| DK Max | 10 | 12 | 14 | 16 | 20 | 24 | 26 | 28 | 
| DK Min | 9 | 11 | 13 | 15 | 19 | 23 | 25 | 27 | 
| L1 | 45 | 60 | 70 | 75 | 100 | 125 | 150 | 180 | 
| k | 5 | 5 | 5 | 5 | 5 | 5 | 5 | 5 | 
| D1 | 9.8 | 11.8 | 13.8 | 15.8 | 19.8 | 23.8 | 25.8 | 27.8 | 
| D2 | 6.2 | 8.2 | 10.2 | 12.2 | 16.2 | 20.2 | 22.2 | 24.2 | 
| h | 0.6 | 0.8 | 0.8 | 0.8 | 0.9 | 1 | 1 | 1.2 | 
| t | 10 | 12 | 12 | 14 | 14 | 16 | 16 | 20 | 
| L | 65 | 85 | 100 | 110 | 150 | 200 | 250 | 300 | 
	
Șurubul de expansiune de autocorizare poate ancora ferm obiectele în structuri de beton sau zidărie. Trebuie doar să găuriți găuri, să introduceți șuruburi și apoi să strângeți piulițele. Când este strânsă, șurubul în sine se va extinde în gaură. De obicei, se formează prin tragerea conului în mânecă, creând astfel o blocare mecanică fermă și fixându -l ferm pe perete.
	
Instalarea șuruburilor de expansiune auto -ancorare este foarte simplă: găuri de găurit de dimensiunea corectă, îndepărtați praful, bateți șuruburile cu un ciocan și apoi strângeți piulițele cu o cheie. În timpul procesului de strângere, mecanismul de expansiune este obligat să deschidă și să prindă ferm materialul de bază. Acesta este un proces direct de „instalare și strângere” care poate realiza o fixare fermă.
	
De exemplu, fixați suportul pe peretele de beton, fixați baza mecanică pe podea, fixați balustrada sau fixați coloana pe fundație. Sunt foarte potrivite pentru operațiuni medii până la grele în beton solid, cărămizi sau blocuri, unde trebuie să adăugați un punct de ancorare puternic și detașabil după construirea fundației.
	
Șuruburile de expansiune de ancorare au o adaptabilitate puternică. Are o adaptabilitate puternică la diferite planuri de bază. Indiferent dacă este un perete de beton, un perete de cărămidă sau o structură de lemn, atât timp cât găurile corespunzătoare sunt găurite, poate juca un rol de ancorare foarte bun. Mai mult, vine în diferite specificații. În conformitate cu cerințele reale de instalare și starea suprafeței de bază, dimensiunea corespunzătoare poate fi selectată pentru a îndeplini diverse scenarii de instalare.
	