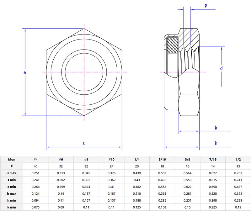
NTE NYLON INSERT INSERT NUCKeste un element de fixare cu auto-blocare cu un guler de nylon în firele interne. Când este înșurubat pe șurub, nylonul blochează firele și piulița nu este probabil să se slăbească ușor atunci când există vibrații sau mișcare.

The NTE NYLON INSERT INSERT NUCKeste confecționat din materiale precum oțel placat cu zinc sau oțel inoxidabil, este conceput pentru utilaje, vehicule sau echipamente unde contează fiabilitatea. Spre deosebire de nucile obișnuite,NTE NYLON INSERT INSERT NUCKNu necesită șaibe de blocare suplimentare sau adezivi - încuietori de la sine. Este simplu de instalat, reutilizabil (în limite) și funcționează atât în configurații industriale, cât și în reparațiile de zi cu zi.
FolosițiNTE NYLON INSERT INSERT NUCKPentru a asigura părți care se agită sau se mișcă. Exemple: Fixarea piciorului de motocicletă, menținerea rolelor de bandă transportoare sau asamblarea scaunelor de birou cu piese reglabile. De asemenea, este util pentru echipamente în aer liber, cum ar fi remorci de grădină sau rafturi pentru biciclete, unde denivelările și vremea ar putea slăbi nucile standard. În atelierele de acasă, este excelent pentru fixarea meselor wobbly sau asigurarea componentelor instrumentelor electrice care vibrează în timpul utilizării.
Veți vedeaNTE NYLON INSERT INSERT NUCKÎn fabricarea auto (montare motoare, piese de suspensie), sisteme HVAC (asigurarea lamelor ventilatorului sau a canalului) și a bunurilor de consum, cum ar fi mașinile de spălat sau bicicletele de exerciții. De asemenea, este obișnuit în mașinile agricole, bicicletele și ansamblul electronic - oriunde vibrațiile sau ajustările frecvente ar putea slăbi nucile obișnuite.

| Piaţă |
Venituri totale (%) |
| America de Nord |
14 |
| America de Sud |
10 |
| Europa de Est |
16 |
| Asia de Sud -Est |
10 |
| Mid East |
7 |
| Asia de Est |
17 |
| Europa de Vest |
12 |
| Asia de Sud |
6 |
| Piața internă |
8 |
XiaoGuo® poate personalizaNTE NYLON INSERT INSERT NUMEla tineșuruburi. Forma hexagonală apiuliţăSe potrivește cu o cheie standard, iar nylon în interior este rezistent la uzură. Putem furniza mostre și puteți testa dacă eșantioanele gratuite răspund nevoilor dvs. înainte de a plasa o comandă mare.