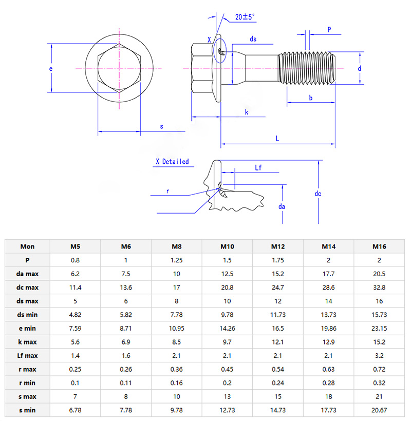
În comparație cu șurubul de flanșă hexagonală comună,șurub cu flanșă hexagonală de flanșă fină de tijăAre un șurub mai subțire decât cel obișnuit, în timp ce capul este încă forma hexagonală comună. Placa de flanșă de sub șurub crește zona de contact cu obiectul conectat.

The șurub cu flanșă hexagonală de flanșă fină de tijăPoate fi folosit pentru a repara trepiedul cu camera de agitare. Tijele subțiri pot fi înșurubate cu precizie în suporturi mici, iar flanșele pot fi plasate plat pe suporturi din plastic sau metal. Când luați un selfie la apusul soarelui, fotografia nu se va agita.
Poate repara placa de circuit și poate împiedica aglomerarea componentelor. Acestea pot fi introduse cu ușurință în locuri cu spațiu limitat, iar flanșele pot proteja punctele de sudură precise.
Șurubul de flanșă hexagonală a flanșei fine de tije poate fi utilizat la fabricarea și întreținerea vehiculelor aeriene fără pilot. Dronele au dimensiuni mici, în greutate ușoară și au un spațiu intern prețios. În timpul procesului de fabricație a vehiculelor aeriene fără pilot (UAV), acestea pot fi utilizate pentru a conecta componente precum cadrul de fuselaj și motoarele, iar tijele subțiri nu adaugă greutate excesivă. Când dronele sunt sub întreținere, acestea sunt ușor de dezasamblat și reinstalați.

Punctul de vânzare alhșurub de flanșă exagrabilă de flanșă fină a tijeieste „economisirea spațiului și stabilă”. Tijele subțiri sunt convenabile pentru instalarea flexibilă într -un spațiu limitat și nu ocupă mult spațiu. Plăcile de flanșă pot asigura stabilitatea în timpul conexiunii, așa că atunci când le strângeți, nu se vor dezlega cu ușurință.
Cuplu ridicat de flanșă hexalobulară a capului
Șuruburi integrate cu flanșă flanșă cu flanșă
Șuruburi de flanșă a capului hexalobular simplificat
Șuruburi de flanșă a capului hexalobular premium
Șuruburi de flanșă a capului hexalobular de calitate industrială
Performanță șuruburi de flanșă a capului hexalobular optimizat