Nucile de etanșare din oțel de carbon sunt un tip de element de fixare utilizat pentru conectarea plăcilor subțiri sau a metalelor din foi. Sunt confecționate din oțel de carbon, temperate și stinse pentru a crește duritatea, iar suprafața este galvanizată sau rezistentă la coroziune.
Nuci de etanșare este destul de simplă, puteți utiliza instrumente standard pneumatice sau hidraulice. Iată cum funcționează: mai întâi, puneți piulița într-o gaură pre-perforată, apoi folosiți un pumn și matriță setat pentru a aplica presiune. Mărimea apasă tabla metalică în jurul gulerului de clinch, formând o blocare mecanică solidă într -un singur pas.
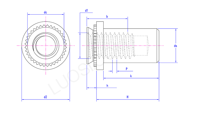
| Luni | M3-1 | M3-2 | M4-1 | M4-2 | M5-1 | M5-2 | M6-1 | M6-2 |
| P | 0.5 | 0.5 | 0.7 | 0.7 | 0.8 | 0.8 | 1 | 1 |
| DS Max | 3.84 | 3.84 | 5.2 | 5.2 | 6.35 | 6.35 | 8.75 | 8.75 |
| DC Max | 4.2 | 4.2 | 5.38 | 5.38 | 6.33 | 6.33 | 8.73 | 8.73 |
| B min | 5.3 | 5.3 | 7.1 | 7.1 | 7.1 | 7.1 | 7.8 | 7.8 |
| H Max | 0.91 | 1.38 | 0.97 | 1.38 | 0.97 | 1.38 | 1.38 | 1.38 |
| H Max | 9.85 | 9.85 | 11.45 | 11.45 | 11.45 | 11.45 | 14.55 | 14.55 |
| H min | 9.35 | 9.35 | 10.95 | 10.95 | 10.95 | 10.95 | 14.05 | 14.05 |
| K Max | 8.5 | 8.5 | 9.8 | 9.8 | 9.8 | 9.8 | 12.7 | 12.7 |
| D2 Max | 6.6 | 6.6 | 8.2 | 8.2 | 9 | 9 | 11.35 | 11.35 |
| D2 min | 6.1 | 6.1 | 7.7 | 7.7 | 8.5 | 8.5 | 10.85 | 10.85 |
| D1 | M3 | M3 | M4 | M4 | M5 | M5 | M6 | M6 |
Nucile de etanșare din oțel de carbon sunt definite prin măsurători cheie: dimensiunea firului (cum ar fi M4, M5, M6 sau 1/4 "-20), diametrul gulerului clinch, înălțimea totală, dimensiunile de șaibă de etanșare și gama de grosime a foii cu care lucrează (atât min, cât și max). Le puteți obține în fire metrice sau imperiale standard.
Puterea lor de clinch (cât de bine rezistă să fie împinși sau răsuciți) este testat în conformitate cu standardele industriei (gândiți -vă ISO, Din, IFI). Alegerea dimensiunii potrivite este o afacere mare, se asigură că sigiliul se menține și piulița este suficient de puternică pentru slujbă.
Pentru a instala piulița de etanșare a oțelului carbon, aveți nevoie de un instrument specializat de clinching și de un set de matrițe care să se potrivească exact cu dimensiunea piuliței. În primul rând, puneți piulița într-o gaură pre-pusă în tablă. Apoi, instrumentul aplică presiune controlată, ceea ce face ca pilotul nuciului și să se scufunde în metalul din jur. Acest proces de formare rece blochează piulița de oțel inoxidabil în loc pentru bine și, în același timp, ghemuiește șaibă de etanșare încorporată pe panou. Așa creează sigiliul rezistent la scurgere care face ca aceste nuci să fie unice.
